sink : 출력 소자가 부하와 그라운드 ( 마이너스측) 에 있어서 그라운드쪽을 ON OFF
해 주는 출력 회로를 말 합니다. 보통은 소스 출력 회로 보다 큰 전류를 컨트롤 합니다.
source : 출력 소자가 전원 (플러스 측)과 부하 사이에 있어서 전원 측을 ON OFF
해 주는 출력 회로를 말 한다.
2003은 내부 회로가 7개가 들어 있고 2803은 8개가 들어있고 동작내용은 같다.
ULN2803 : 출력전류 500mA의 SINK전류가가능한 오픈콜렉터형 NPN형 트랜지스터 어레이
UDN2981 : 출력전류 500mA의 SOURCE 전류가가능한 오픈에미터형 NPN형 트랜지스터 어레이
ULN2803 : 싱크 출력 이다.
즉 출력 단자에 부하의 한 선을 연결 하고, 나머지는 + 측
(전원측)에 연결하여 사용하는 회로 이다.
ULN2981, UDN2981 : 소스 출력 회로 이다.
즉 출력 단자에 부하의 한 선을 연결하고,
나머지는 - 측(그라운드 측)에 연결 하는 회로 이다.
+++++++++++++++++++++++++++++++++++++++++++++++++++++++++++++++++++++
ULN2803 DATASHEET : ULN2803.pdf

모터 구동이나 발광 다이오드의 구동 시는 구동 전류가 크기 때문에 TTL 계열의 IC로 구동시키기에는 무리가 따른다. 또한 모터가 구동 중에 스위치 작용에 의해서 회전을 정지시킬 때 DC모터에서 역전류가 발생하여 TTL 계열의 IC에는 무리를 줄 수 있는 단점이 있다. 이러한 문제를 해결하기 위해서 사용 전압, 전류 정격이 높은 달링턴 트랜지스터가 어레이 형태로 들어 있는 ULN2803을 이용한다. 이IC에는 8개의 NPN형의 달링턴 회로가 들어 있고 인터페이스 레벨은 TTL, CMOS 등의 모든 장치와 연결 가능하다.
<Datasheet> The eight NPN Darlington connected transistors in this family of arrays are ideally suited for interfacing between low logic level digital circuitry (such as TTL, CMOS or PMOS/NMOS) and the higher current/voltage equirements of lamps, relays, printer hammers or other similar loads for a broad range of computer, industrial, and consumer applications.

PROTEUS로 테스트를 해보면 쉽게 알 수 있는데,
위의 그림에서 보듯이 TTL레벨의 신호로 12V를 다루기 위한 용도로 쓰일 수 있다.
(물론 같은 레벨의 전원에서 전류허용량을 늘리기 위해 사용될 수도 있다.)
LED는 9V정격전압으로 설정하고 VCC는 5V, LED에는 12V의 전원을 공급한다.
결과는 아래와 같다.

※ GND (8pin) 는 생략되었다.
한마디로 1번 핀에 HIGH를 주면 아래 그림처럼 전류가 이동하는 것이다.

UDN2981 DATASHEET : udn2981.pdf

UDN2981의 경우 ULN과는 사용용도는 동일하다.
<Datasheet> Recommended for high-side switching applications that benefit from separate logic and load grounds, these devices encompass load supply voltages to 50 V and output currents to -500 mA. These 8-channel source drivers are useful for interfacing between low-level logic and high-current loads. Typical loads include relays, solenoids, lamps, stepper and/or servo motors, print hammers, and LEDs. All devices may be used with 5 V logic systems — TTL, Schottky TTL, DTL, and 5 V CMOS. The UDN2981A, UDN2982A, and A2982SLW are electrically interchangeable, will withstand a maximum output off voltage of 50 V, and operate to a minimum of 5 V. All devices in this series integrate input current limiting resistors and output transient suppression diodes, and are activated by an active high input.
그러나 동작원리는 반대이다.

[출처] UDN2981 & ULN2803|작성자 known82
++++++++++++++++++++++++++++++++++++++++++++++++++++++++++++++++++
~~~
비슷하지만 그렇다고 답변드릴 수는 없습니다. 정확하지가 않기 때문입니다. 거듭되는 답변이지만 제발 그들 소자의 내부 회로도를 보세요... 그 회로도에 모든 답이 들어 있습니다.
+5V용의 부하만 사용한다면 귀하의 말씀이 답일 수 있습니다. 그러면 5V TTL 로직으로 모든 것을 하이와 로우로 표현할 수 있겠죠. 거기에 한가지 덧붙이면 출력단 전류가 500mA까지 증폭된 강력한 드라이버지요...
그러나, ULN2803이나 UDN2981의 매력은 이보다는 출력에 접속할 수 있는 부하전압에 있습니다. +5V가 아닌 전원을 사용하는 부하를 연결할 수 있다는 것입니다. 12V나 24V용의 릴레이도 구동할 수 있죠. 그것은 이것들의 출력단에 있는 트랜지스터를 보면 알 수 있습니다.
결론적으로 말하면 ULN2803은 출력전류로 500mA의 싱크(sink)가 가능한 오픈 콜렉터형 NPN 트랜지스터 어레이고요... UDN2981은 출력전류로 500mA의 소스(source)가 가능한 오픈 에미터형 NPN 트랜지스터 어레이입니다...
[출처] ULN2803, UDN2981|작성자 줄리탄
++++++++++++++++++++++++++++++++++++++++++++++++++++++++++++++++++++++
ULN2803 응 빵판에 꽂아서 실험 회로를 구성하여
트랜지스터어레이를 병렬로 연결하면 근 1A까지 뽑아낼수있 방법

위의 경우 1,2을 묶고, 17,18을 묶어주면 약 2배정도의 전류를 사용할수 있다.
필요하다면 입력을 모두 묶어(1~8번까지)버리고, 출력도 모두 묶어서 사용할수도 있다.
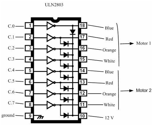
1번핀 : 18번핀 출력을 온오프해주는 신호 입력단자이다
내부에는 달링턴접속된 모듈회로가 8개 들어 있다.
출력인 18번핀에는 최대 0,5A정도까지 흘릴수 있다.
이것은 내부 소자가 견딜수 있는 전류 허용 규격이다.
++++++++++++++++++++++++++++++++++++++++++++++++++++++++++
모터 구동이나 발광 다이오드의 구동 시는 구동 전류가 크기 때문에 TTL 계열의 IC로 구동시키기에는 무리가 따른다. 또한 모터가 구동 중에 스위치 작용에 의해서 회전을 정지시킬 때 DC모터에서 역전류가 발생하여 TTL 계열의 IC에는 무리를 줄 수 있는 단점이 있다. 이러한 문제를 해결하기 위해서 이곳에서는 사용 전압, 전류 정격이 높은 달링턴 트랜지스터가 어레이 형태로 들어 있는 ULN2803을 이용하였다. 이 IC에는 8개의 NPN형의 달링턴 회로가 들어 있고 인터페이스 레벨은 TTL, CMOS 등의 모든 장치와 연결 가능하다. (그림11)에는 ULN2803의 핀 번호와 내부 구조를 나타내고, DC 모터의 연결 방법에 대해서 나타내었다. DC MOTOR를 8개의 출력 단자 중의 하나에 연결하면 (그림11-B)와 같이 나타낼 수 있으며, 입력되는 신호에 따라서 Vcc(+5V)에서 전류가 흘러 DC모터를 회전시키고

ULN2803의 접지 단자로 빠져나가게 되는 것이다. IC 내부에 내장되어 있는 다이오드에 의해서 모터에서 발생하는 역전류를 방지하게 되는 것이다.
다만 센서의 경우는 ULN2803의 포트 1개만으로도 전류가 충분하였으나 모터의 경우는 포트 1개만으로는 전류가 부족하여 포트 2개를 병렬로 연결하여 사용하였다. 자세한 연결은 회로도를 참고하기 바란다.
회로도의 스위치 부분의 병렬로 연결된 콘덴서들은 모터의 회전시 발생하는 Noise를 흡수하기 위한 것으로, 적당한 것들을 쓰면 된다. 하지만 콘덴서를 하나도 달지 않을 경우 cpu가 동작을 멈추는 것을 볼 수 있었다.
아래 사진참고

출처 : http://www.hi-sys.co.kr/bbs/zboard.php?id=pds_board&no=32 를 편집 설명함
'전기회로' 카테고리의 다른 글
| Active High와 Active Low 정의 (+ Floating, Pull-up, Pull-down 저항) (0) | 2023.03.29 |
|---|---|
| SMD 커패시터 104 읽는 방법 (0) | 2023.03.20 |
| 바이패스 커패시터 bypass capacitor (0) | 2023.02.23 |